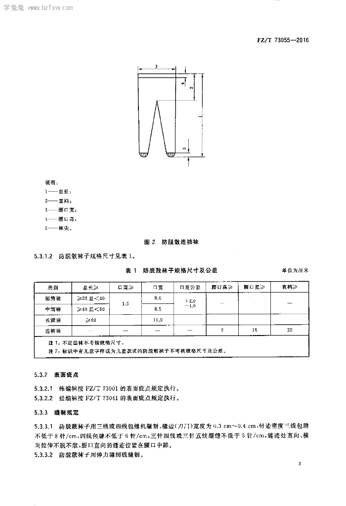
FZ/T 73055-2016 防脱散袜子

行业标准 推荐性 现行

标准状态

  1. 发布于:
  2. 实施于:
  3. 废止

标准详情

  • 中国标准分类号:W63
    国际标准分类号:59.080.30
  • 提出单位:
    主管部门:工业和信息化部

起草单位

宜兴市艺蝶针织有限公司、天纺标检测科技有限公司、山东华润厚木尼龙有限公司 等

起草人

储国平、单丽娟、古涛 等

标准预览(共 13 页)

* 特别声明:资源收集自网络或用户上传,版权归原作者所有,如侵犯您的权益,请联系我们处理。

  • 标准质量:
  • 文档详情:453.8KB 共 13 页 PDF

标准搜索