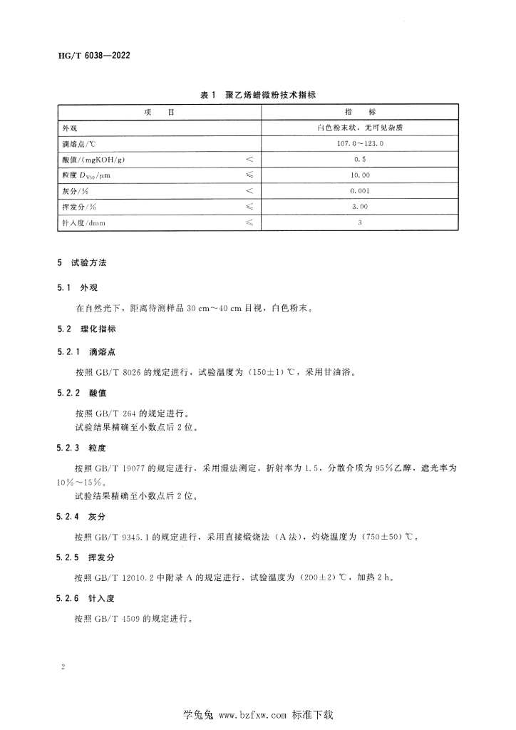
HG/T 6038-2022 聚乙烯蜡微粉

行业标准 推荐性 现行

标准状态

  1. 发布于:
  2. 实施于:
  3. 废止

标准详情

  • 中国标准分类号:G32
    国际标准分类号:83.080.20
  • 提出单位:中国石油和化学工业联合会
    主管部门:工业和信息化部

起草单位

南京天诗新材料科技有限公司、东莞市汉维科技股份有限公司、中蓝晨光成都检测技术有限公司、北京市理化分析测试中心、厦门银都利工业有限公司、中广核俊尔(浙江)新材料有限公司、福建万安实业集团有限公司、佛山市圆创塑料实业有限公司

起草人

于海阔、荀育军、张彦君、胡光辉、向梅、郑友明、苏捷、彭开琚、郑晓平、李佼佼、王玉梅、赵婷、韦海翔、孔维峰、钱冲

标准预览(共 6 页)

* 特别声明:资源收集自网络或用户上传,版权归原作者所有,如侵犯您的权益,请联系我们处理。

  • 标准质量:
  • 文档详情:1.3MB 共 6 页 PDF

标准搜索