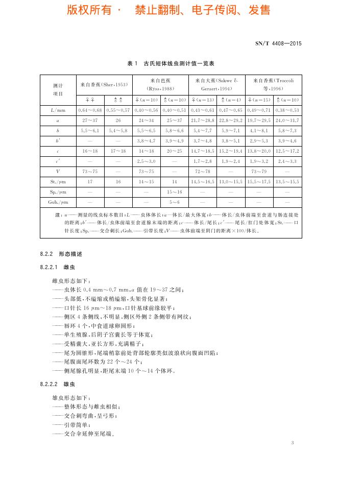
SN/T 4408-2015 古氏短体线虫检疫鉴定方法

行业标准 推荐性 现行

标准状态

  1. 发布于:
  2. 实施于:
  3. 废止

标准详情

  • 中国标准分类号:B16
    国际标准分类号:65.020.01
  • 提出单位:
    主管部门:国家质量监督检验检疫总局

起草单位

中国检验检疫科学研究院、天津出入境检验检疫局、南通出入境检验检疫局、深圳出入境检验检疫局、湖北出入境检验检疫局等

起草人

葛建军、王旭、熊玉芬 等

标准预览(共 12 页)

* 特别声明:资源收集自网络或用户上传,版权归原作者所有,如侵犯您的权益,请联系我们处理。

  • 标准质量:
  • 文档详情:2.99MB 共 12 页 PDF

标准搜索