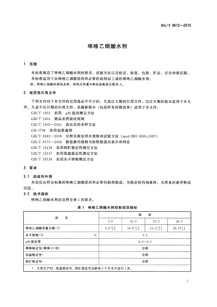
HG/T 4812-2015 咪唑乙烟酸水剂

行业标准 推荐性 现行

标准状态

  1. 发布于:
  2. 实施于:
  3. 废止

标准详情

  • 中国标准分类号:G25
    国际标准分类号:65.100.20
  • 提出单位:
    主管部门:化工

起草单位

沈阳化工研究院有限公司、衡水景美化学工业有限公司、山东先达农化股份有限公司等

起草人

于亮、邢君、闫胜英 等

标准预览(共 8 页)

* 特别声明:资源收集自网络或用户上传,版权归原作者所有,如侵犯您的权益,请联系我们处理。

  • 标准质量:
  • 文档详情:5.26MB 共 8 页 PDF

标准搜索