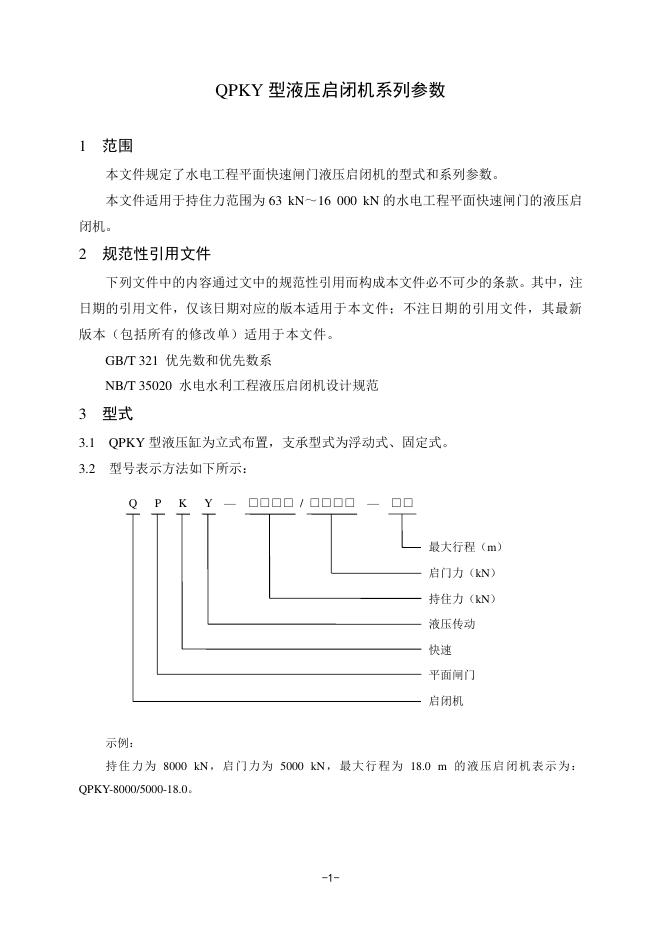
NB/T 10501-2021 QPKY 型液压启闭机系列参数

行业标准 推荐性 现行

标准状态

  1. 发布于:
  2. 实施于:
  3. 废止

标准详情

  • 中国标准分类号:P26
    国际标准分类号:27.140
  • 代替标准:DL/T 896-2004
  • 提出单位:
    主管部门:国家能源局

起草单位

中国电建集团中南勘测设计研究院有限公司、中国电建集团成都勘测设计研究院有限公司

起草人

虞喜泉、周华、郭熙宏、陈辉春、袁长生、贾刚、李湖川

标准预览(共 13 页)

* 特别声明:资源收集自网络或用户上传,版权归原作者所有,如侵犯您的权益,请联系我们处理。

  • 标准质量:
  • 文档详情:934.55KB 共 13 页 PDF

标准搜索