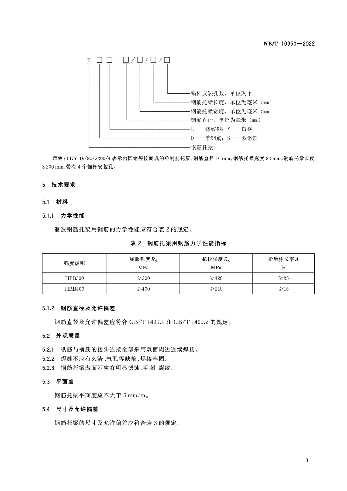
NB/T 10950-2022 锚杆支护用钢筋托梁

行业标准 推荐性 现行

标准状态

  1. 发布于:
  2. 实施于:
  3. 废止

标准详情

  • 中国标准分类号:D 97
    国际标准分类号:73.100.10
  • 提出单位:中国煤炭工业协会
    主管部门:国家能源局

起草单位

天地科技股份有限公司开采设计事业部、煤炭科学技术研究院有限公司、山西潞安矿业(集团)有限责任公司、山东焱鑫矿用材料加工有限公司

起草人

康红普、林健、丁全录、吴拥政、张镇、何杰、吴建星、杨景贺、王强、张德稳、郝登云

标准预览(共 9 页)

* 特别声明:资源收集自网络或用户上传,版权归原作者所有,如侵犯您的权益,请联系我们处理。

  • 标准质量:
  • 文档详情:1.94MB 共 9 页 PDF

标准搜索