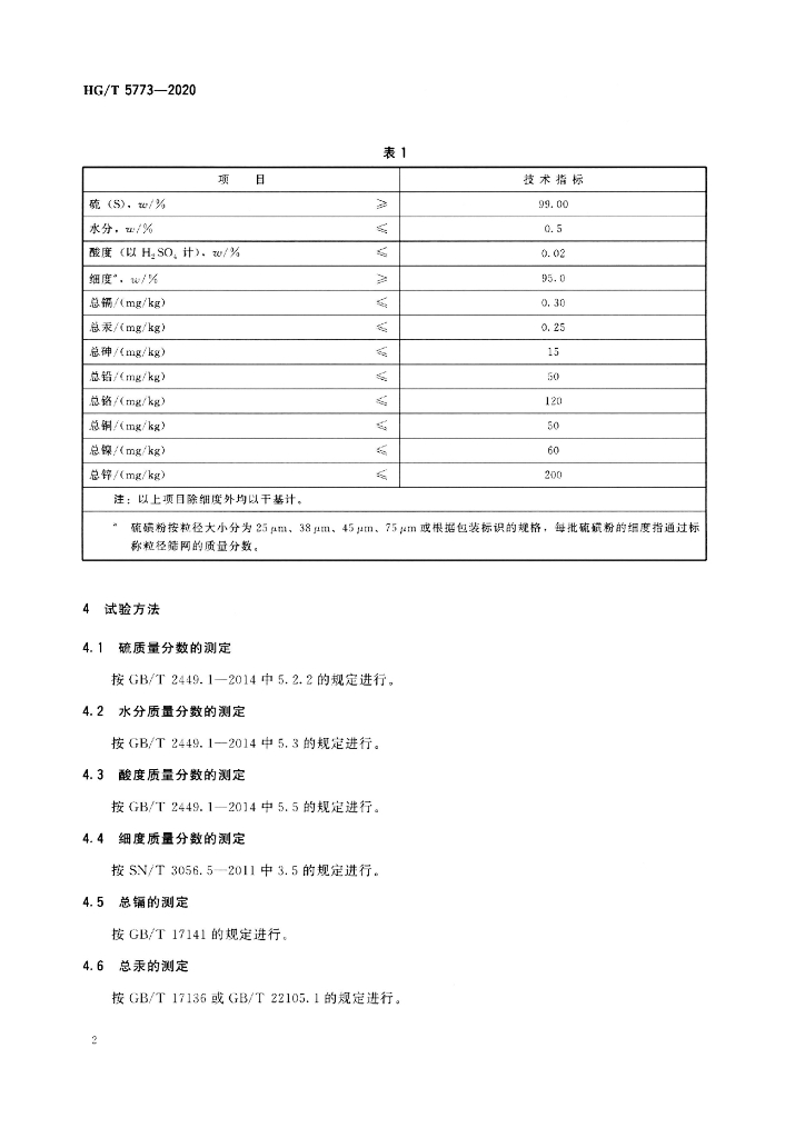
HG/T 5773-2020 土壤改良用硫磺粉

行业标准 推荐性 现行

标准状态

  1. 发布于:
  2. 实施于:
  3. 废止

标准详情

  • 中国标准分类号:G13
    国际标准分类号:71.060.10
  • 提出单位:
    主管部门:工业和信息化部

起草单位

中石化南京化工研究院有限公司、山东省产品质量检验研究院、东营联合石化有限责任公司等

起草人

邹惠玲、邱爱玲、夏攀登 等

标准预览(共 6 页)

* 特别声明:资源收集自网络或用户上传,版权归原作者所有,如侵犯您的权益,请联系我们处理。

  • 标准质量:
  • 文档详情:4.49MB 共 6 页 PDF

标准搜索