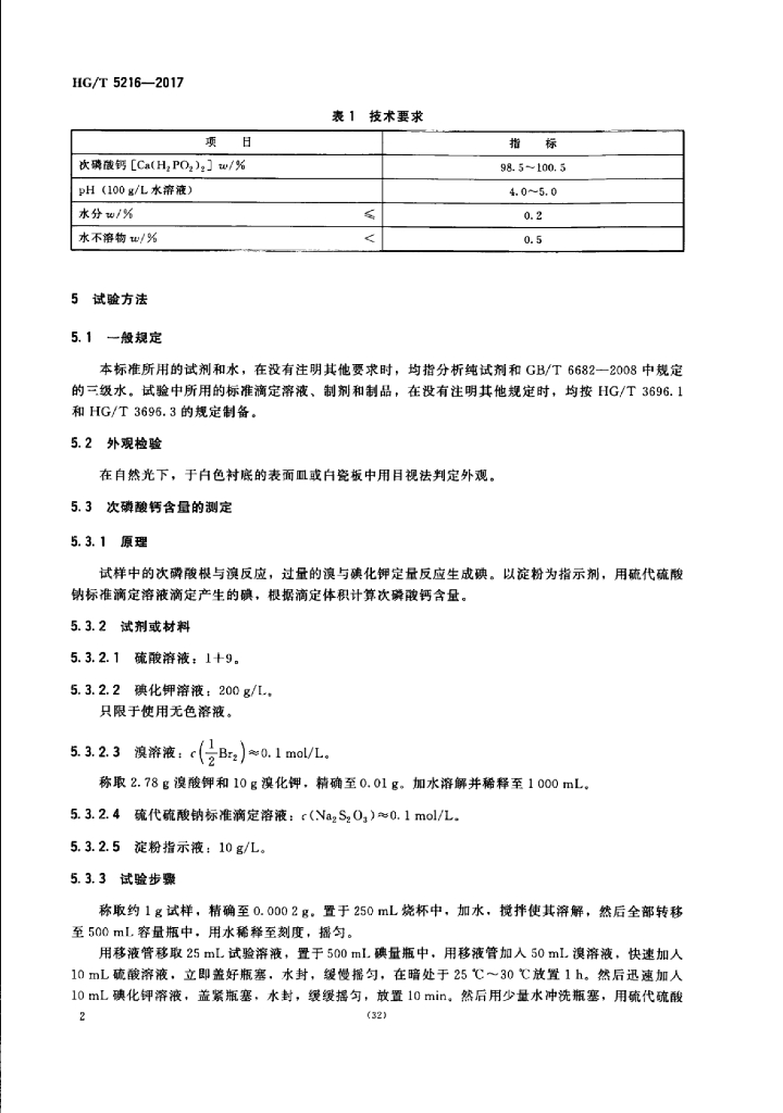
HG/T 5216-2017 工业次磷酸钙

行业标准 推荐性 现行

标准状态

  1. 发布于:
  2. 实施于:
  3. 废止

标准详情

  • 中国标准分类号:G12
    国际标准分类号:71.060.50
  • 提出单位:
    主管部门:工业和信息化部

起草单位

重庆新申世纪化工有限公司、佛山市质量计量监督检测中心、中海油天津化工研究设计院有限公司等

起草人

申静、赵亮亮、安晓英 等

标准预览(共 7 页)

* 特别声明:资源收集自网络或用户上传,版权归原作者所有,如侵犯您的权益,请联系我们处理。

  • 标准质量:
  • 文档详情:1.63MB 共 7 页 PDF

标准搜索