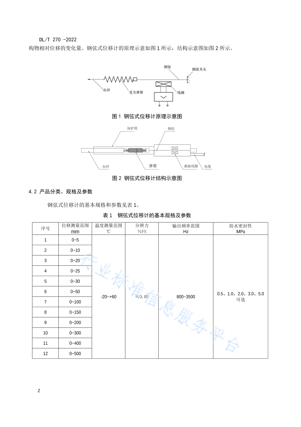
DL/T 270-2022 钢弦式位移计

行业标准 推荐性 现行

标准状态

  1. 发布于:
  2. 实施于:
  3. 废止

标准详情

  • 中国标准分类号:P59
    国际标准分类号:27.140
  • 代替标准:DL/T 270-2012
  • 提出单位:中国电力企业联合会
    主管部门:国家能源局

起草单位

基康仪器股份有限公司、南京南瑞水利水电科技有限公司

起草人

雷霆、赵初林、饶少峰、姜运涛、杨云鹏、赵斌、崔岗、胡波

标准预览(共 15 页)

* 特别声明:资源收集自网络或用户上传,版权归原作者所有,如侵犯您的权益,请联系我们处理。

  • 标准质量:
  • 文档详情:2.3MB 共 15 页 PDF

标准搜索