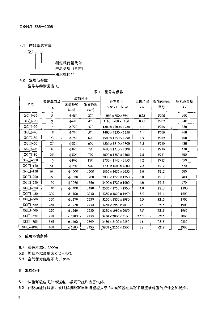
DB44/T 558-2008 工业洗水机

地方标准 广东省 推荐性 已废止

标准状态

  1. 发布于:
  2. 实施于:
  3. 废止于:

标准详情

  • 中国标准分类号:Y99
    国际标准分类号:97.060
  • 提出单位:
    主管部门:广东省质量技术监督局

起草单位

广州市番禺质量技术监督检测所、广州番禺骏业宏达洗染机械有限公司、广州市番禺区沙湾同心机器厂、广州市乐金洗染设备有限公司、广州市昶达机械制造有限公司、广州市晟业机械工程有限公司

起草人

陈远鹏、曾培杰、赖析添、严宝文、黎鉴全、李志宏、苏向明

标准预览(共 11 页)

* 特别声明:资源收集自网络或用户上传,版权归原作者所有,如侵犯您的权益,请联系我们处理。

  • 标准质量:
  • 文档详情:365.99KB 共 11 页 PDF

标准搜索