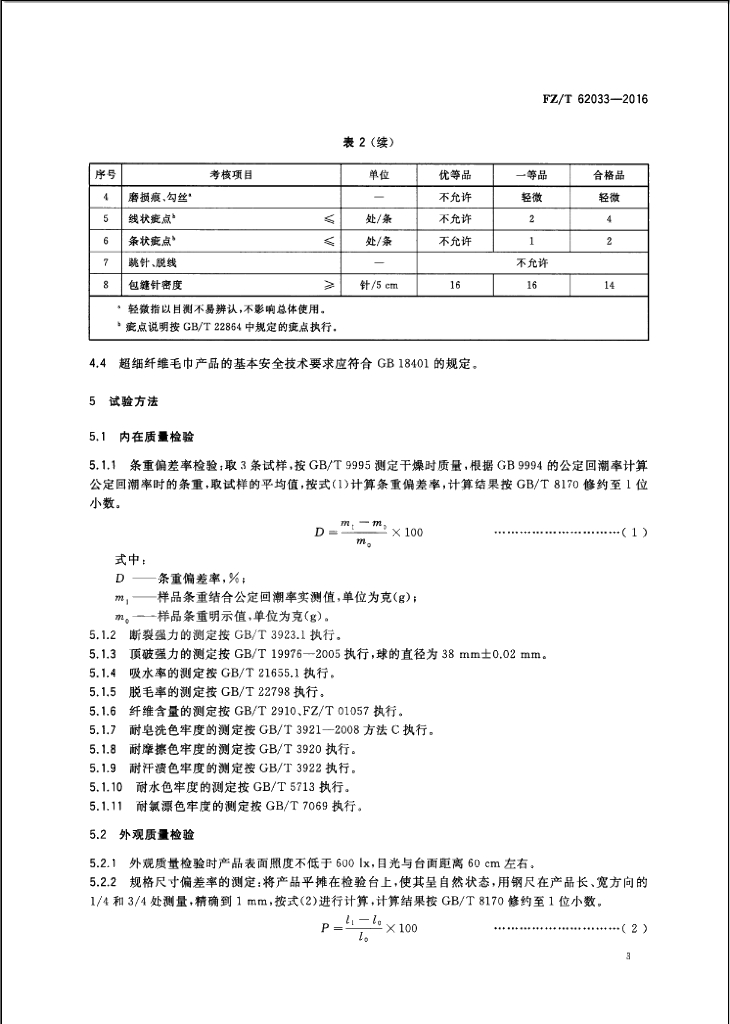
FZ/T 62033-2016 超细纤维毛巾

行业标准 推荐性 现行

标准状态

  1. 发布于:
  2. 实施于:
  3. 废止

标准详情

  • 中国标准分类号:W57
    国际标准分类号:97.160
  • 提出单位:
    主管部门:工业和信息化部

起草单位

山东省纺织工业协会、淄博友诚毛绒制品有限公司、山东滨州亚光毛巾有限公司等

起草人

于娟、王红星、孙德敏 等

标准预览(共 8 页)

* 特别声明:资源收集自网络或用户上传,版权归原作者所有,如侵犯您的权益,请联系我们处理。

  • 标准质量:
  • 文档详情:694.19KB 共 8 页 PDF

标准搜索