LY/T 3312-2022 国家森林乡村评价指标

行业标准 推荐性 现行

标准状态

  1. 发布于:
  2. 实施于:
  3. 废止

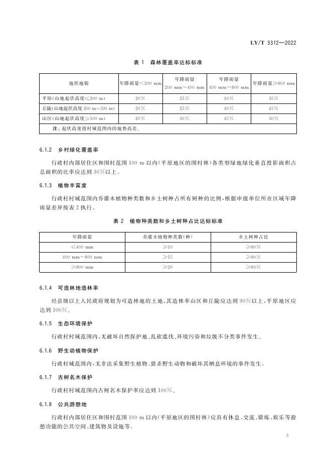
标准详情

  • 中国标准分类号:B64
    国际标准分类号:65.020.40
  • 提出单位:国家林业和草原局
    主管部门:全国营造林文件化技术委员会

起草单位

国家林业和草原局调查规划设计院、国家林业和草原局生态保护修复司、北京林业大学

起草人

唐小平、周洁敏、许传德、杨春、牛牧、周金星、王博宇、杨筱、阮向东、胡继平、桑轶群、王道阳、卞斐

标准预览(共 12 页)

* 特别声明:资源收集自网络或用户上传,版权归原作者所有,如侵犯您的权益,请联系我们处理。

  • 标准质量:
  • 文档详情:1.71MB 共 12 页 PDF

标准搜索