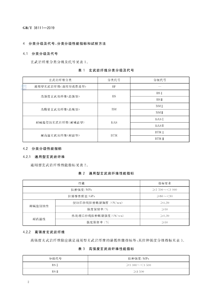
GB/T 38111-2019 玄武岩纤维分类分级及代号

国家标准 推荐性 现行

标准状态

  1. 发布于:
  2. 实施于:
  3. 废止

标准详情

  • 中国标准分类号:Q36
    国际标准分类号:59.100.10
  • 提出单位:
    主管部门:中国建筑材料联合会

起草单位

东南大学、江苏绿材谷新材料科技发展有限公司、浙江石金玄武岩纤维股份有限公司、四川航天拓鑫玄武岩实业有限公司、山西晋投玄武岩开发有限公司、山东聚源玄武岩纤维股份有限公司、南京玻璃纤维研究设计院有限公司、衡水瑞纤新材料科技有限公司、江苏天龙玄武岩连续纤维股份有限公司、吉林通鑫玄武岩科技股份有限公司、贵州石鑫玄武岩科技有限公司

起草人

吴智深、王玉梅、陈兴芬、王会忠、姜厚文、江铭、刘建勋、汪昕、薛晓薇、曹柏青、周琳、马建立

标准预览(共 5 页)

* 特别声明:资源收集自网络或用户上传,版权归原作者所有,如侵犯您的权益,请联系我们处理。

  • 标准质量:
  • 文档详情:305.14KB 共 5 页 PDF

标准搜索