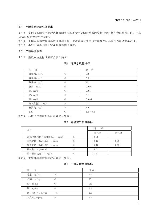
DB61/T 508.1-2011 富硒双低油菜产地环境

地方标准 陕西省 推荐性 现行

标准状态

  1. 发布于:
  2. 实施于:
  3. 废止

标准详情

  • 中国标准分类号:B44
    国际标准分类号:65.020.20
  • 提出单位:
    主管部门:陕西省质量技术监督局

起草单位

安康市农业技术推广站、汉阴县农业局、汉阴县技术监督局、安康市硒源油脂有限公司

起草人

张忠民、朱庭强、郭成强、李宏敏、龙祖林、王文广、肖堂林、李晓艳、李明德、李成军

标准预览(共 6 页)

* 特别声明:资源收集自网络或用户上传,版权归原作者所有,如侵犯您的权益,请联系我们处理。

  • 标准质量:
  • 文档详情:286.68KB 共 6 页 PDF

标准搜索