YB/T 4750-2019 锌-5%铝-镁合金镀层钢绞线

行业标准 推荐性 现行

标准状态

  1. 发布于:
  2. 实施于:
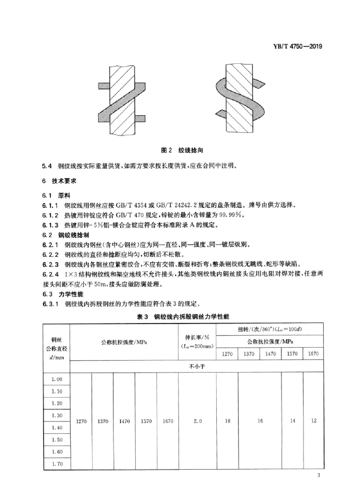
  3. 废止

标准详情

  • 中国标准分类号:H49
    国际标准分类号:77.140.65
  • 提出单位:
    主管部门:全国钢标准化技术委员会

起草单位

杭州敦实金属制品有限公司、广东坚宜佳五金制品有限公司、锦锐乾源通信设备科技有限公司、杭州市生产力促进中心、国家钢丝绳产品质量监督检验中心、冶金工业信息标准研究院

起草人

安铁、张楚信、张利荣、尚景朕、吴澎、顾树池、任翠英、曹倍倍、张建波、谢仓暑、王玲君、冷明鉴

标准预览(共 12 页)

* 特别声明:资源收集自网络或用户上传,版权归原作者所有,如侵犯您的权益,请联系我们处理。

  • 标准质量:
  • 文档详情:1.69MB 共 12 页 PDF

标准搜索