YS/T 1019-2015 氯化铷

行业标准 推荐性 现行

标准状态

  1. 发布于:
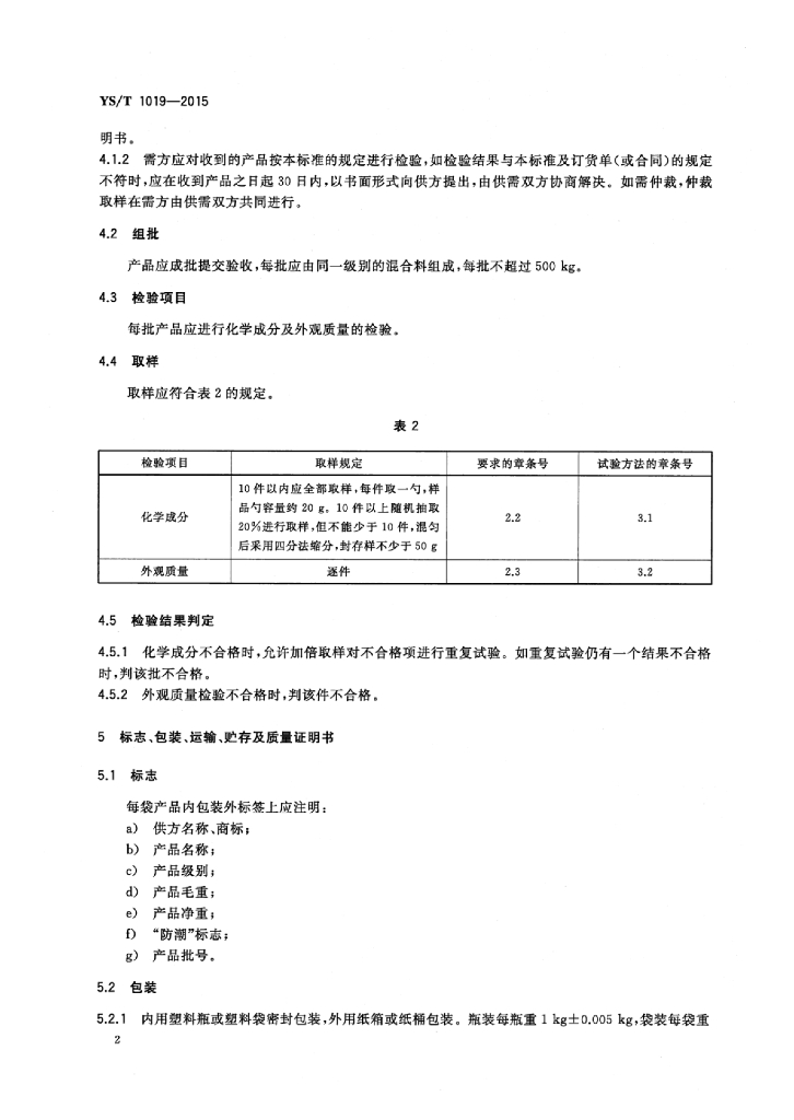
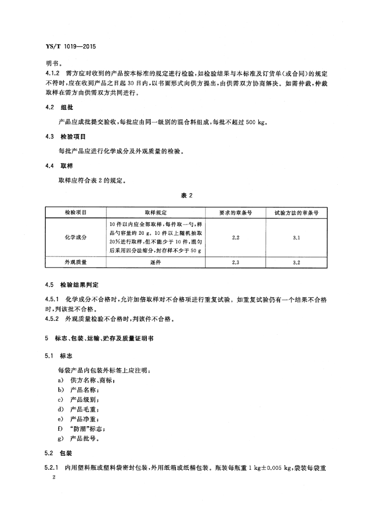
  2. 实施于:
  3. 废止

标准详情

  • 中国标准分类号:H64
    国际标准分类号:77.150.99
  • 提出单位:
    主管部门:全国有色金属标准化技术委员会

起草单位

江西东鹏新材料有限责任公司、江西本源新材料科技有限公司、江西赣锋锂业股份有限公司等

起草人

孙梅春、钟海华、罗红勇等

标准预览(共 6 页)

* 特别声明:资源收集自网络或用户上传,版权归原作者所有,如侵犯您的权益,请联系我们处理。

  • 标准质量:
  • 文档详情:1.01MB 共 6 页 PDF

标准搜索