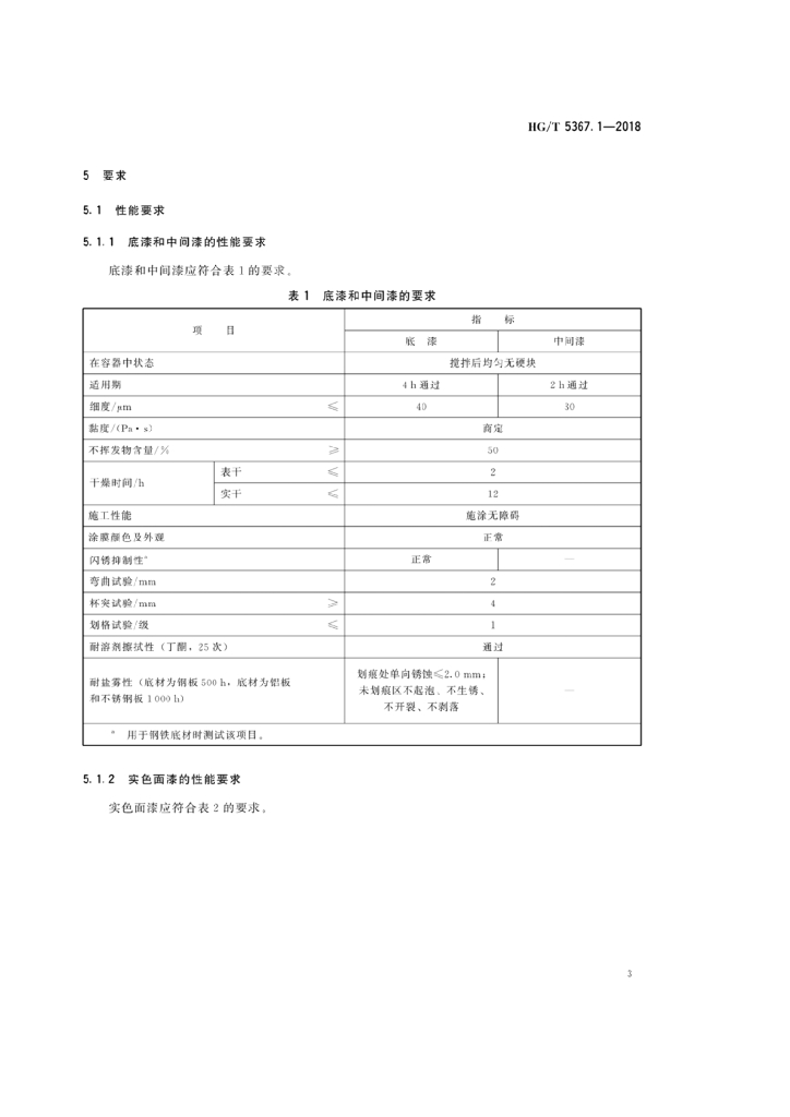
HG/T 5367.1-2018 轨道交通车辆用涂料 第1部分:水性涂料

行业标准 推荐性 现行

标准状态

  1. 发布于:
  2. 实施于:
  3. 废止

标准详情

  • 中国标准分类号:G51
    国际标准分类号:87.04
  • 提出单位:
    主管部门:工业和信息化部

起草单位

中车青岛四方车辆研究所有限公司、海洋化工研究院有限公司、优美特(北京)环境材料科技股份公司等

起草人

于全蕾、蒋芸、钱叶苗 等

标准预览(共 15 页)

* 特别声明:资源收集自网络或用户上传,版权归原作者所有,如侵犯您的权益,请联系我们处理。

  • 标准质量:
  • 文档详情:2.09MB 共 15 页 PDF

标准搜索