YS/T 981.5-2014 高纯铟化学分析方法 铊量的测定 罗丹明B吸光光度法

行业标准 推荐性 现行

标准状态

  1. 发布于:
  2. 实施于:
  3. 废止

标准详情

  • 中国标准分类号:H17
    国际标准分类号:77.040.30
  • 提出单位:
    主管部门:全国有色金属标准化技术委员会

起草单位

国家有色金属及电子材料分析测试中心、中国有色金属工业标准计量质量研究所等

起草人

刘红、李爱嫦 等

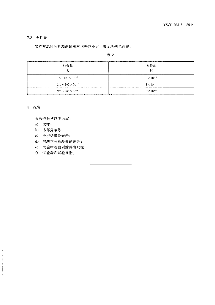
标准预览(共 6 页)

* 特别声明:资源收集自网络或用户上传,版权归原作者所有,如侵犯您的权益,请联系我们处理。

  • 标准质量:
  • 文档详情:207.1KB 共 6 页 PDF

标准搜索