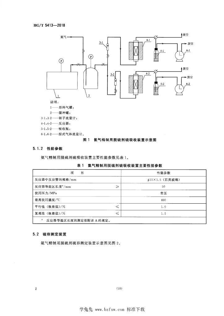
HG/T 5413-2018 氨气精制用脱硫剂硫容试验方法

行业标准 推荐性 现行

标准状态

  1. 发布于:
  2. 实施于:
  3. 废止

标准详情

  • 中国标准分类号:G74
    国际标准分类号:71.100.99
  • 提出单位:
    主管部门:工业和信息化部

起草单位

南化集团研究院、北京三聚环保新材料股份有限公司、山西科灵催化净化技术发展公司

起草人

李忠于、杨琰、钟立宏 等

标准预览(共 13 页)

* 特别声明:资源收集自网络或用户上传,版权归原作者所有,如侵犯您的权益,请联系我们处理。

  • 标准质量:
  • 文档详情:3.69MB 共 13 页 PDF

标准搜索