HG/T 5656-2019 光学级聚酯薄膜增亮膜用预涂底层聚对苯二甲酸乙二醇酯(PET) 薄膜

行业标准 推荐性 现行

标准状态

  1. 发布于:
  2. 实施于:
  3. 废止

标准详情

  • 中国标准分类号:G15
    国际标准分类号:71.080.99
  • 提出单位:
    主管部门:工业和信息化部

起草单位

合肥乐凯科技产业有限公司、凯鑫森(上海)功能性薄膜产业有限公司、宁波激智科技股份有限公司

起草人

孙月、李超、王辉 等

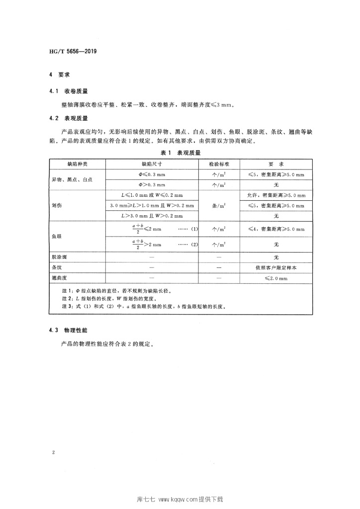
标准预览(共 8 页)

* 特别声明:资源收集自网络或用户上传,版权归原作者所有,如侵犯您的权益,请联系我们处理。

  • 标准质量:
  • 文档详情:3.61MB 共 8 页 PDF

标准搜索