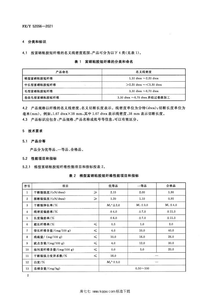
FZ/T 52056-2021 富硒粘胶短纤维

行业标准 推荐性 现行

标准状态

  1. 发布于:
  2. 实施于:
  3. 废止

标准详情

  • 中国标准分类号:W52
    国际标准分类号:59.060.20
  • 提出单位:中国纺织工业联合会
    主管部门:工业和信息化部

起草单位

河北吉藁化纤有限责任公司、上海市纺织工业技术监督所、安徽省产品质量监督检验研究院、中国化学纤维工业协会

起草人

李振峰、张焕志、丁振华、王丽莉、张子昕、崔家一

标准预览(共 10 页)

* 特别声明:资源收集自网络或用户上传,版权归原作者所有,如侵犯您的权益,请联系我们处理。

  • 标准质量:
  • 文档详情:2.35MB 共 10 页 PDF

标准搜索