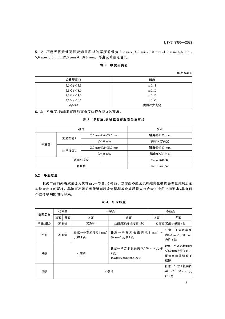
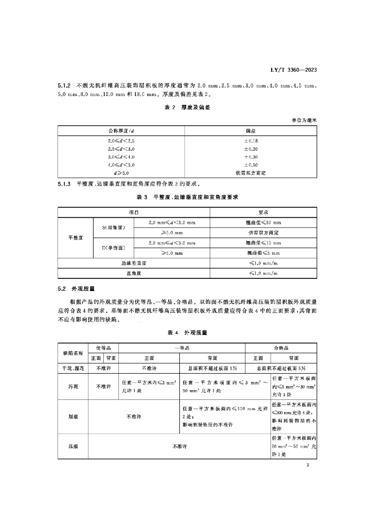
LY/T 3360-2023 不燃无机纤维装饰层积板

行业标准 推荐性 现行

标准状态

  1. 发布于:
  2. 实施于:
  3. 废止

标准详情

  • 中国标准分类号:B70
    国际标准分类号:79.060.99
  • 提出单位:全国人造板标准化技术委员会
    主管部门:国家林业和草原局

起草单位

浙江瑞欣装饰材料有限公司、中国林业科学研究院木材工业研究所、河南永威复合新材料有限公司、威盛亚(.上海)有限公司、厦门隽翔木业有限公司天津市盛世德新材料科技有限公司、德华兔宝宝装饰新材股份有限公司、南京林业大学、应急管理部四川消防研究所、千年舟新材科技集团股份有限公司、富美家(中国)贸易有限公司、江苏慧典新材有限公司、江苏天润盛凯新材料股份有限公司、江苏佳饰家新材料集团股份有限公司、常州鑫德源恒耐火板装饰材料股份有限公司

起草人

曹春清、姜鹏、陈志林、李康、杨虹、陈智勇、杜永良、叶交友、金菊婉、刘微、陆铜华卢利明、张育栋、孙晓义、骆清友、除孙敏、李玉锋、朱平、张和安、王荣庆、张建、刘化冰

标准预览(共 14 页)

* 特别声明:资源收集自网络或用户上传,版权归原作者所有,如侵犯您的权益,请联系我们处理。

  • 标准质量:
  • 文档详情:2.46MB 共 14 页 PDF

标准搜索