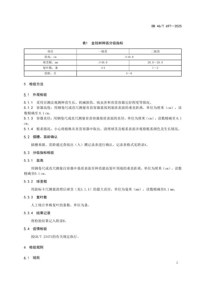
DB46/T 697-2025 金钱树(雪铁芋) 种苗

地方标准 海南省 推荐性 现行

标准状态

  1. 发布于:
  2. 实施于:
  3. 废止

标准详情

  • 中国标准分类号:B61
    国际标准分类号:65.020.40
  • 提出单位:海南省林业局
    主管部门:海南省市场监督管理局

起草单位

中国热带农业科学院热带作物品种资源研究所、海南省林木种子(苗)总站、中国热带农业科学院橡胶研究所、乐东普英洲花卉园艺有限公司。

起草人

李莉萍、林波、王军、冷青云、张香秦、张伟、应东山、邓利和、薛荟、谢彩虹、陈青、黄青平、潘林义、张有鑫、杨富。

标准预览(共 9 页)

* 特别声明:资源收集自网络或用户上传,版权归原作者所有,如侵犯您的权益,请联系我们处理。

  • 标准质量:
  • 文档详情:687.39KB 共 9 页 PDF

标准搜索