电子标准网
首页
国家标准
行业标准
地方标准
团体标准
设计图集
协会标准
企业标准
国际标准
联盟标准
其他标准
登录 / 注册
昵称:
(ID:)
获得会员特权
我的收藏
我的下载
[ 退出登录 ]
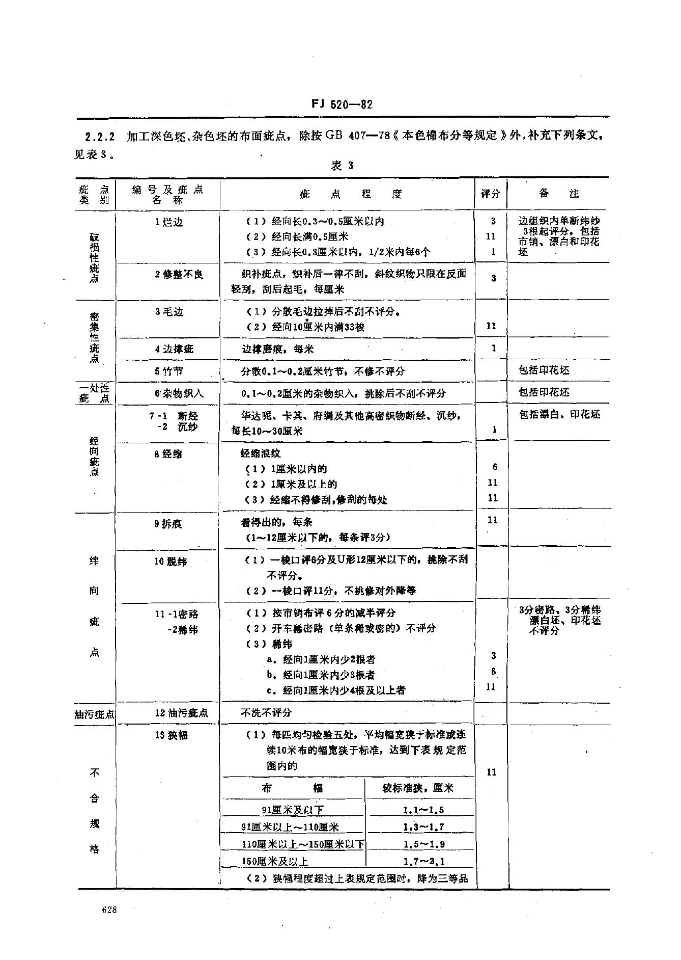
FJ 520-1982 本色棉维混纺布
其他标准
强制性
现行
收藏
报错
标准状态
发布于:
2025-06-15
实施于:
2025-06-15
废止
标准详情
中国标准分类号:
国际标准分类号:
提出单位:
主管部门:
起草单位
起草人
标准预览(共 13 页)
5页 预览结束,下载 13页 完整版
* 特别声明:资源收集自网络或用户上传,版权归原作者所有,如侵犯您的权益,请联系我们处理。
标准网本地下载
标准质量:
文档详情:
433.48KB 共 13 页 PDF
分享到
标准搜索
搜索帮助
搜索
相关推荐
1
DG/TJ 08-79-2024 房屋质量检测鉴定标准(附条文说明)
2
DD 2008-04 红层地区浅层地下水勘查评价技术要求
3
SJG 49-2019 深圳市公安交警基层业务用房及配套设施建设标准
4
SZDB/Z 5.3-2008 信息系统工程建设技术规范 第3部分:通用布缆系统工程
5
CCAA-TR-114-01-2021 良好农业规范认证基础考试大纲(第1版)
6
CCAA-102 自愿性产品认证检查员注册准则(第3版第2次修订)
7
DG/TJ 08-2131-2022 路面设计标准
8
SZDB/Z 143-2015 出租屋视频门禁系统技术规范
9
中国船级社CCS:船舶能量消耗分布与节能指南2014
10
YJ/T 28-2024 灾害事故现场音视频采集和传输通用技术要求
11
中国船级社CCS:智能船舶规范 2015
12
中国船级社CCS:钢质海船入级规范 2024年第1次变更通告
13
中国船级社CCS:海上浮式装置入级规范2019年第1次规范变更通告
14
SJG 47-2018 深圳市绿色建筑评价标准
15
中国船级社CCS:选择性催化还原(SCR)系统船上应用指南2022
电子标准网提示:
你剩余金币:
0
, 下载文档需要支付金币:
0
请通过以下途径获取金币或者充值VIP,完成下载:
更多充值
金币充值下载
VIP免费下载
正在加载二维码...
微信扫码支付
50元, 50金币,
100元,150金币,赠送 50个金币
300元,600金币,赠送300个金币
500元,1200金币,赠送700个金币
800元,2000金币,赠送1200个金币
正在加载二维码...
微信扫码支付
50元,高级月度VIP,免金币下载10篇/天
118元,高级季度VIP,免金币下载10篇/天
168元,高级半年VIP,免金币下载10篇/天
98元,钻石月度VIP,免金币下载30篇/天
238元,钻石季度VIP,免金币下载30篇/天