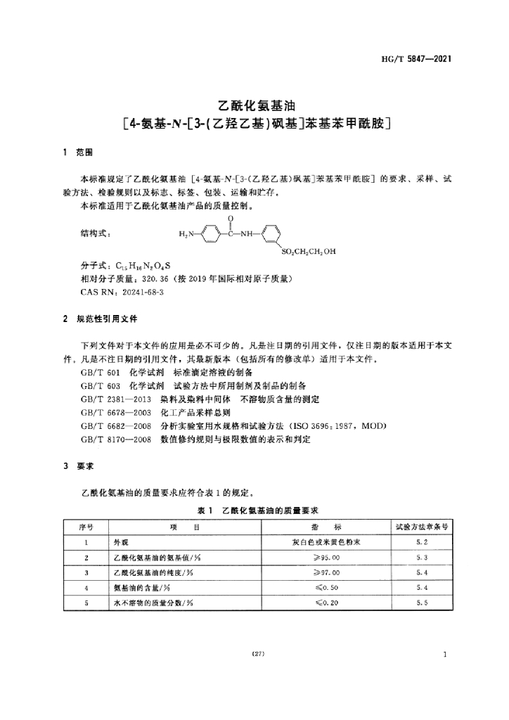
HG/T 5847-2021 乙酰化氨基油[4-氨基-N-[3-(乙羟乙基)砜基]苯基苯甲酰胺]

行业标准 推荐性 现行

标准状态

  1. 发布于:
  2. 实施于:
  3. 废止

标准详情

  • 中国标准分类号:G56
    国际标准分类号:71.100.01;87.060.10
  • 提出单位:
    主管部门:工业和信息化部

起草单位

沈阳沈化院测试技术有限公司、台州前进化工有限公司、沈阳化工研究院有限公司等

起草人

陈日刚、杨杰民、陈光顺

标准预览(共 10 页)

* 特别声明:资源收集自网络或用户上传,版权归原作者所有,如侵犯您的权益,请联系我们处理。

  • 标准质量:
  • 文档详情:1.37MB 共 10 页 PDF

标准搜索