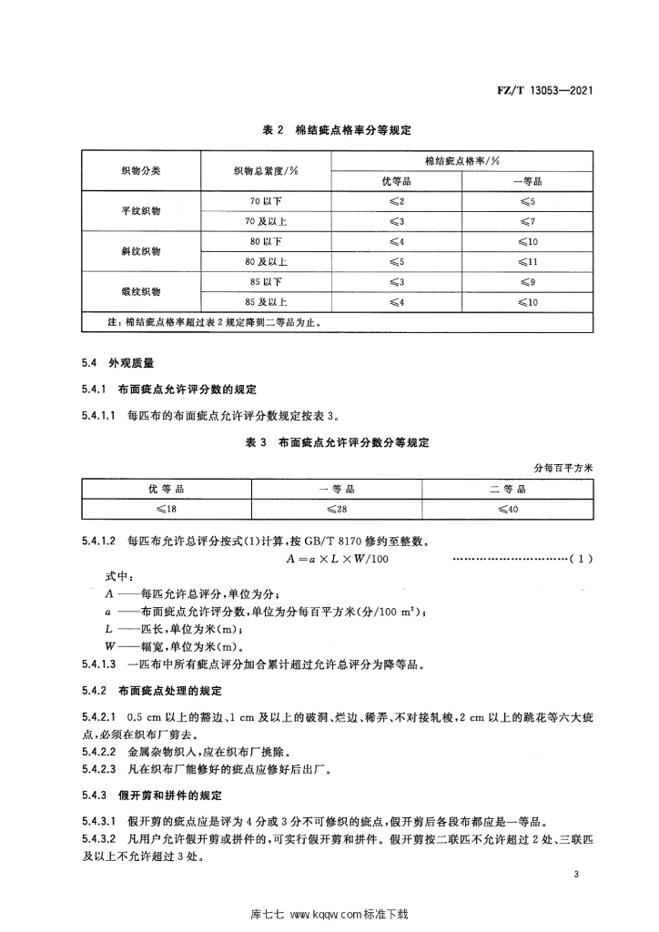
FZ/T 13053-2021 棉与粘胶纤维纱线交织本色布

行业标准 推荐性 现行

标准状态

  1. 发布于:
  2. 实施于:
  3. 废止

标准详情

  • 中国标准分类号:W13
    国际标准分类号:59.080.30
  • 提出单位:中国纺织工业联合会
    主管部门:工业和信息化部

起草单位

江苏大生集团有限公司、上海市纺织工业技术监督所、际华三五四二纺织有限公司、河北宁纺集团有限责任公司、浙江玉帛纺织股份有限公司、安徽翰联色纺股份有限公司、安徽君翰纺织科技有限公司、中国棉纺织行业协会

起草人

赵志华、陈慧、左舒文、张慧霞、徐建林、黄少平、张毅、谢黎君、欧阳夏子

标准预览(共 12 页)

* 特别声明:资源收集自网络或用户上传,版权归原作者所有,如侵犯您的权益,请联系我们处理。

  • 标准质量:
  • 文档详情:3.16MB 共 12 页 PDF

标准搜索