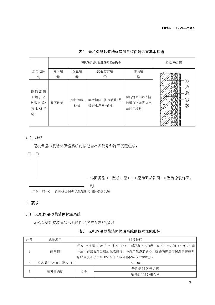
DB34/T 1279-2014 无机保温砂浆墙体保温系统

地方标准 安徽省 推荐性 已废止

标准状态

  1. 发布于:
  2. 实施于:
  3. 废止于:

标准详情

  • 中国标准分类号:Q15
    国际标准分类号:91.060.10
  • 代替标准:DB34/T 1279-2010
  • 提出单位:
    主管部门:安徽省质量技术监督局

起草单位

安徽省产品质量监督检验研究院、安徽华普节能材料股份有限公司、南阳天意节能技术有限公司、安徽巨力新型环保材料有限公司、安徽省建设工程质量安全监督总站。

起草人

曹丽荣、孙路、詹煜坤、武洪强、丁媛丽、姚钟莹、武华胜、彭廷、张琎、张良燕、宋磊、刘齐、薛念念、任思远。

标准预览(共 15 页)

* 特别声明:资源收集自网络或用户上传,版权归原作者所有,如侵犯您的权益,请联系我们处理。

  • 标准质量:
  • 文档详情:414.98KB 共 15 页 PDF

标准搜索