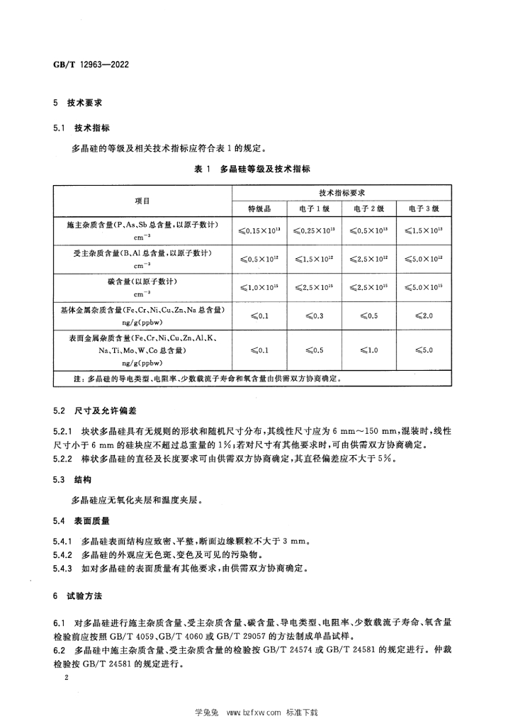
GB/T 12963-2022 电子级多晶硅

国家标准 推荐性 现行

标准状态

  1. 发布于:
  2. 实施于:
  3. 废止

标准详情

  • 中国标准分类号:H82
    国际标准分类号:29.045
  • 代替标准:GB/T 12963-2014
  • 提出单位:国家标准化管理委员会
    主管部门:全国半导体设备和材料标准化技术委员会

起草单位

江苏鑫华半导体科技股份有限公司、青海黄河上游水电开发有限责任公司新能源分公司、有研半导体硅材料股份公司、亚洲硅业(青海)股份有限公司、新特能源股份有限公司、上海赛夫特半导体材料有限公司、浙江海纳半导体股份有限公司、东方电气(乐山)峨半高纯材料有限公司、有色金属技术经济研究院有限责任公司、江苏中能硅业科技发展有限公司、麦斯克电子材料股份有限公司、陕西有色天宏瑞科硅材料有限责任公司、四川永祥新能源有限公司、宜昌南玻硅材料有限公司、洛阳中硅高科技有限公司

起草人

田新、将文武、李素青、秦榕、贺东江、陈卫群、邱艳梅、李斌、付绪光、董先君、雷聪、赵培芝、万首正、王彬、孙燕、宗冰、徐岩、刘晓霞、张遵、潘金平、张园园

标准预览(共 7 页)

* 特别声明:资源收集自网络或用户上传,版权归原作者所有,如侵犯您的权益,请联系我们处理。

  • 标准质量:
  • 文档详情:1.9MB 共 7 页 PDF

标准搜索