DB35/T 940-2009 复水日晒笋干软罐头

地方标准 福建省 推荐性 已废止

标准状态

  1. 发布于:
  2. 实施于:
  3. 废止于:

标准详情

  • 中国标准分类号:B31
    国际标准分类号:67.080.20
  • 提出单位:
    主管部门:福建省质量技术监督局

起草单位

福建建宁孟宗笋业有限公司、建宁县质量技术监督局

起草人

廖品贵、余奴根、邱恒俊、谢木生、代希荣、廖品桃、刘晓明、潘景聪

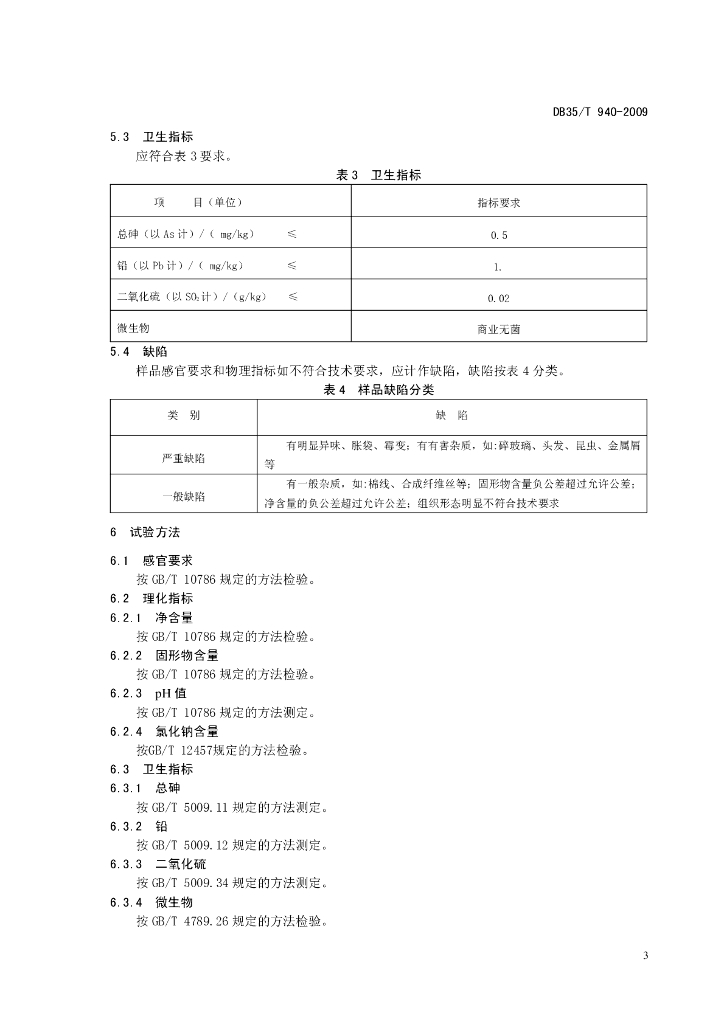
标准预览(共 6 页)

* 特别声明:资源收集自网络或用户上传,版权归原作者所有,如侵犯您的权益,请联系我们处理。

  • 标准质量:
  • 文档详情:142.13KB 共 6 页 PDF

标准搜索