DB44/T 1019-2012 淡水有核珍珠(原珠)

地方标准 广东省 推荐性 现行

标准状态

  1. 发布于:
  2. 实施于:
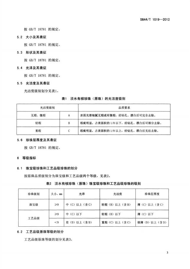
  3. 废止

标准详情

  • 中国标准分类号:B52
    国际标准分类号:65.150
  • 提出单位:
    主管部门:广东省水产标准化技术委员会

起草单位

广东海洋大学、广东绍河珍珠有限公司

起草人

谢绍河、童银洪、邓陈茂、符韶、梁飞龙、廖建萌、黄海立、谢仁政

标准预览(共 7 页)

* 特别声明:资源收集自网络或用户上传,版权归原作者所有,如侵犯您的权益,请联系我们处理。

  • 标准质量:
  • 文档详情:2.23MB 共 7 页 PDF

标准搜索