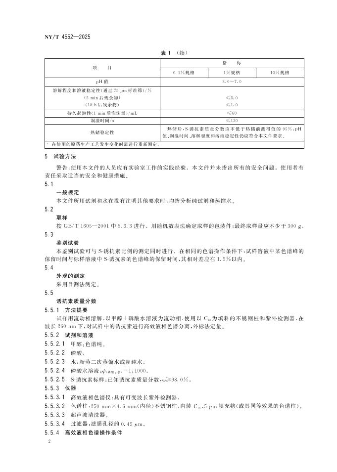
NY/T 4552-2025 S-诱抗素可溶粉剂

行业标准 推荐性 现行

标准状态

  1. 发布于:
  2. 实施于:
  3. 废止

标准详情

  • 中国标准分类号:G25
    国际标准分类号:65.100
  • 提出单位:
    主管部门:农业农村部

起草单位

江西新瑞丰生化股份有限公司、合肥高尔生命健康科学研究院有限公司、沈阳沈化院测试技术有限公司、浙江世佳科技股份有限公司、四川龙蟒福生科技有限责任公司

起草人

张嘉月、周金龙、王学义、张丕龙、周月霞、刘华艺、邹少丰、章琰

标准预览(共 12 页)

* 特别声明:资源收集自网络或用户上传,版权归原作者所有,如侵犯您的权益,请联系我们处理。

  • 标准质量:
  • 文档详情:1.28MB 共 12 页 PDF

标准搜索