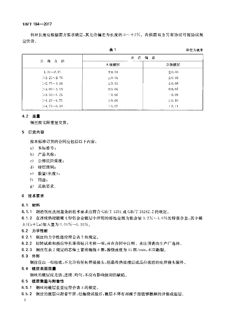
YB/T 184-2017 钢芯铝绞线用稀土锌铝合金镀层钢丝

行业标准 推荐性 现行

标准状态

  1. 发布于:
  2. 实施于:
  3. 废止

标准详情

  • 中国标准分类号:H49
    国际标准分类号:77.140.65
  • 代替标准:YB/T 184-2000
  • 提出单位:
    主管部门:全国钢标准化技术委员会

起草单位

马鞍山鼎泰稀土新材料股份有限公司、广东坚宜佳五金制品有限公司、杭州创宇金属制品科技有限公司、冶金工业信息标准研究院。

起草人

史志民、陈修梅、尚景朕、徐洪林、王玲君、任翠英、侯爱民、郑方、史晗、张浩、韦俐。

标准预览(共 7 页)

* 特别声明:资源收集自网络或用户上传,版权归原作者所有,如侵犯您的权益,请联系我们处理。

  • 标准质量:
  • 文档详情:462.44KB 共 7 页 PDF

标准搜索