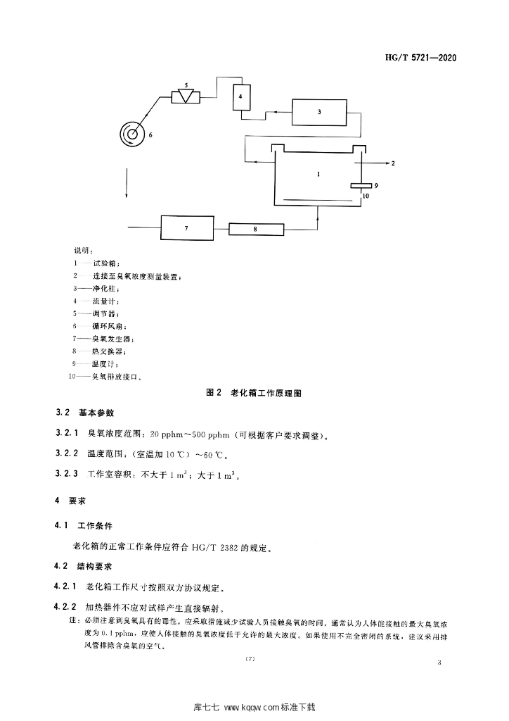
HG/T 5721-2020 橡胶耐臭氧老化箱

行业标准 推荐性 现行

标准状态

  1. 发布于:
  2. 实施于:
  3. 废止

标准详情

  • 中国标准分类号:G98
    国际标准分类号:71.120;83.200
  • 提出单位:
    主管部门:工业和信息化部

起草单位

江苏明珠试验机械有限公司、江苏新真威试验机械有限公司、高铁检测仪器(东莞)有限公司、等。

起草人

包达飞、马济凯、沈克会 等

标准预览(共 12 页)

* 特别声明:资源收集自网络或用户上传,版权归原作者所有,如侵犯您的权益,请联系我们处理。

  • 标准质量:
  • 文档详情:9.69MB 共 12 页 PDF

标准搜索