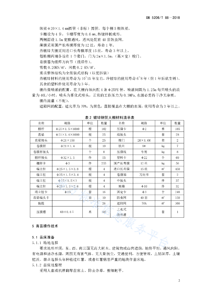
DB5206/T 88-2018 脱毒红薯大棚育苗技术规范

地方标准 铜仁市 推荐性 现行

标准状态

  1. 发布于:
  2. 实施于:
  3. 废止

标准详情

  • 中国标准分类号:B30
    国际标准分类号:65.020
  • 代替标准:DB522200/T58-2009
  • 提出单位:
    主管部门:铜仁市市场监督管理局

起草单位

铜仁市农业技术推广站、碧江区区划中心

起草人

黄文美、毛亚勋、金臻岚、谢小燕、韦伟、姚元安、黄芳、田永国、田茂英、杨超、王思见

标准预览(共 7 页)

* 特别声明:资源收集自网络或用户上传,版权归原作者所有,如侵犯您的权益,请联系我们处理。

  • 标准质量:
  • 文档详情:254.83KB 共 7 页 PDF

标准搜索