电子标准网
首页
国家标准
行业标准
地方标准
团体标准
设计图集
协会标准
企业标准
国际标准
联盟标准
其他标准
登录 / 注册
昵称:
(ID:)
充值金币
我的收藏
浏览历史
[ 退出登录 ]
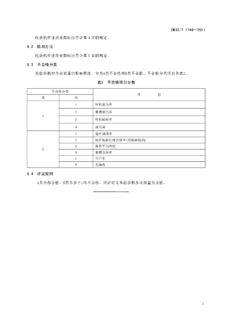
DB32/T 1748-2011 玉米收获机械作业质量评价技术规范
地方标准
江苏省
推荐性
已废止
收藏
报错
标准状态
发布于:
2011-04-15
实施于:
2011-06-15
废止于:
2025-08-25
标准详情
中国标准分类号:
B91
国际标准分类号:
65.060.30
提出单位:
主管部门:
江苏省质量技术监督局
标准预览(共 5 页)
5页 预览结束,下载 5页 完整版
* 特别声明:资源收集自网络或用户上传,版权归原作者所有,如侵犯您的权益,请联系我们处理。
标准网本地下载
标准质量:
文档详情:
114.73KB 共 5 页 PDF
分享到
标准搜索
搜索帮助
搜索
相关推荐
1
DB61/T 5078-2023 体育建筑工艺设计标准(附条文说明)
2
DB50/T 502-2013 大足黑山羊圈舍建设技术规范
3
DB50/T 386-2011 大足黑山羊 种公羊饲养管理技术规范
4
DB41/T 2617-2024 饲料霉变防控及霉菌毒素脱毒技术规范
5
DB62/T 2131-2011 静宁马铃薯质量分级
6
DB32/T 2466-2013 棉花泗杂棉栽培技术规程
7
DB4201/T 681-2023 鲜食春大豆种子生产技术规程
8
DB33/T 1429-2025 知识产权维权援助工作站建设与服务规范
9
DB11/ 238-2012 北京市车用汽油标准
10
DB3707/T 105-2024 镇(街道)社会工作服务站管理与服务规范
11
DB44/T 961-2011 化妆品中酸性橙7的测定 高效液相色谱法
12
DB63/T 1597-2017 公共建筑节能改造节能量核定规程
13
DB4416/T 30-2025 科技企业孵化载体服务规范
14
DB21/T 2029-2012 洗染业等级划分及评定
15
DB33/T 2105-2018 制造业企业技术中心评价规范
电子标准网提示:
你剩余金币:
0
, 下载文档需要支付金币:
0
请通过以下途径获取金币,完成下载:
更多充值
金币充值下载
VIP免费下载
正在加载二维码...
微信扫码支付
50元, 50金币,
100元,150金币,赠送 50个金币
300元,600金币,赠送300个金币
500元,1200金币,赠送700个金币
800元,2000金币,赠送1200个金币
正在加载二维码...
微信扫码支付
50元,高级月度VIP,免金币下载10篇/天
118元,高级季度VIP,免金币下载10篇/天
168元,高级半年VIP,免金币下载10篇/天
98元,钻石月度VIP,免金币下载30篇/天
238元,钻石季度VIP,免金币下载30篇/天