HG/T 5724-2020 运动鞋足部保护要求

行业标准 推荐性 现行

标准状态

  1. 发布于:
  2. 实施于:
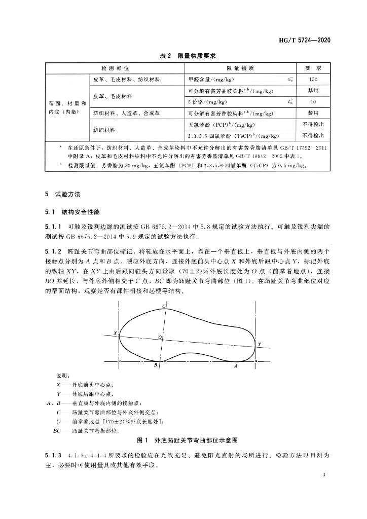
  3. 废止

标准详情

  • 中国标准分类号:Y78
    国际标准分类号:61.060
  • 提出单位:
    主管部门:工业和信息化部

起草单位

福建华峰运动用品科技有限公司、莆田市标龙设备设计中心、莆田市恒顺体育用品有限公司等

起草人

方华玉、马燕红、陈元水 等

标准预览(共 10 页)

* 特别声明:资源收集自网络或用户上传,版权归原作者所有,如侵犯您的权益,请联系我们处理。

  • 标准质量:
  • 文档详情:7.14MB 共 10 页 PDF

标准搜索