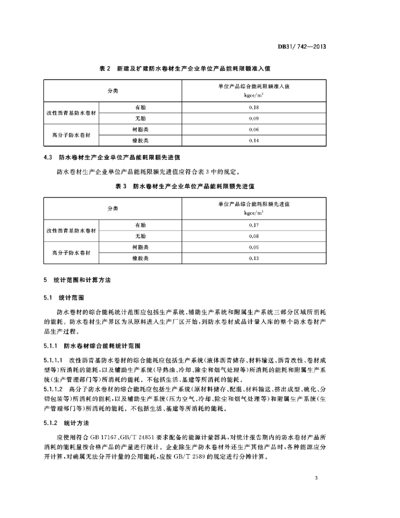
DB31/ 742-2013 防水卷材单位产品能源消耗限额

地方标准 上海市 强制性 已废止

标准状态

  1. 发布于:
  2. 实施于:
  3. 已废止

标准详情

  • 中国标准分类号:Q31
    国际标准分类号:27.010
  • 提出单位:
    主管部门:上海市质量技术监督局

起草单位

上海建科检验有限公司、上海市化学建材行业协会建筑防水材料与施工技术分会、国家建筑工程材料质量监督检验中心

起草人

俞海勇、郭青、蒋勤逸、沈军、高珏、文敬芳、何家旭、贲成俊、石全民、张爱忠、时元涛、杨林伯。

标准预览(共 10 页)

* 特别声明:资源收集自网络或用户上传,版权归原作者所有,如侵犯您的权益,请联系我们处理。

  • 标准质量:
  • 文档详情:2.18MB 共 10 页 PDF

标准搜索