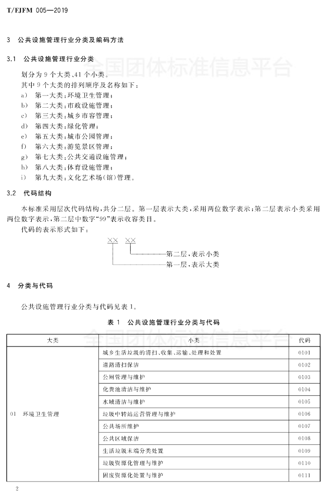
T/FJFM 005-2019 公共设施管理行业分类与代码

团体标准 强制性 现行

标准状态

  1. 发布于:
  2. 实施于:
  3. 废止

标准详情

  • 中国标准分类号:
    国际标准分类号:01.020
  • 团体名称:福建省公共设施维护服务行业协会

起草单位

福建省公共设施维护服务行业协会、石狮市新天泓环卫工程有限公司、福州特绿洁保洁有限公司、漳州市凯盛环境工程有限公司、福建省森远环境发展有限公司、泉州市鸿润环卫工程有限公司、厦门市开环保洁工程有限公司、福建万佳友环境工程有限公司、漳州科晖专用汽车制造有限公司、福州大弘朗洁环保有限公司、盛世之星(福建)企业管理有限公司、福建省辉龙景观工程有限公司、福建省锦辉环境科技有限公司、福州美佳环保资源开发有限公司、福州汇晟集团有限公司、福建讯立洁保洁服务有限公司、福建省德源园林工程有限公司、福建国正环保工程有限公司。

起草人

陈捷、李军、王卫民、方棋、林艺辉、卢岩松、杜贤武、方绍惠、蓝志民、吴建伟、何宏、何棋松、陈艺盛、陈民生、许新华、吴将金、林武、官财平、王悍华、张金野、陈珠俤。

标准预览(共 5 页)

* 特别声明:资源收集自网络或用户上传,版权归原作者所有,如侵犯您的权益,请联系我们处理。

  • 标准质量:
  • 文档详情:386.66KB 共 5 页 PDF

标准搜索