SB/T 11103-2014 木地板企业等级划分规范

行业标准 推荐性 现行

标准状态

  1. 发布于:
  2. 实施于:
  3. 废止

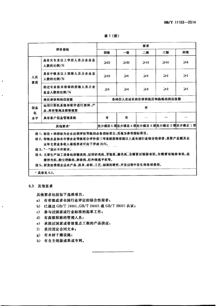
标准详情

  • 中国标准分类号:A20
    国际标准分类号:03.080.01
  • 提出单位:
    主管部门:商务

起草单位

中国木材与木制品流通协会木地板流通专业委员会、木材节约发展中心、书香门地(上海)新材料科技有限公司等

起草人

李佳峰、卜立新、刘硕真 等

标准预览(共 6 页)

* 特别声明:资源收集自网络或用户上传,版权归原作者所有,如侵犯您的权益,请联系我们处理。

  • 标准质量:
  • 文档详情:1.71MB 共 6 页 PDF

标准搜索