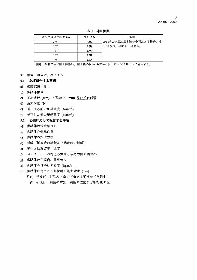
JIS A1107-2003 混凝土钻芯样和截梁试样的采取及其试验方法
* 特别声明:资源收集自网络或用户上传,版权归原作者所有,如侵犯您的权益,请联系我们处理。
- 标准质量:
- 文档详情:127.22KB 共 6 页 PDF
标准搜索
搜索帮助相关推荐
- 1ISO/TR 23244-2020 区块链和分布式账本技术——隐私和个人身份信息保护注意事项
- 2BS 6724:2016 固定敷设用、受火侵袭时烟雾和腐蚀性气体排放量低的额定电压600 1000V和1900 3300V热固性绝缘铠装电缆
- 3ITU-T X.1642-2016 云计算运行安全指南
- 4ISO/IEC TR 23187-2020 信息技术 ——云计算——与云服务合作伙伴(CSN)的交互
- 5JIS Z3322-2002 用带状电极进行不锈钢搭接焊的材料
- 6JIS A4002-1989 带存水弯的地面排水(英文版)
- 7ISO/IEC 27013-2015 信息技术 安全技术 ISO/IEC 27001和ISO/IEC 20000-1的一体化实施指南
- 8IEC 62676-2-1-2013 安全应用中使用的视频监控系统 第2-1部分:视频传输协议 一般要求
- 9IEC 62642-5-3-2010 报警系统 入侵和抢劫系统 第5-3部分:使用无线电频率技术的互联设备要求
- 10TC260-PG-2023XX 网络安全标准实践指南——生成式人工智能服务内容标识要求(征求意见稿)
- 11ISO 19649-2017 移动机器人 术语
- 12BS EN IEC 60332-3-24 2018 电缆和光缆在火焰条件下的燃烧试验 第3-24部分 垂直安装的成束电线或电缆的垂直火焰蔓延试验 C类
- 13ISO 14539-2000 操作型工业机器人 用抓式钳子进行物品传递 词汇和特征表示(两种语言版)
- 14JIS A1103-2003 集料的75mm筛选试验方法-勘误
- 15IEC 62264-3-2016 企业控制系统集成 第3部分 制造运营管理的活动模型




