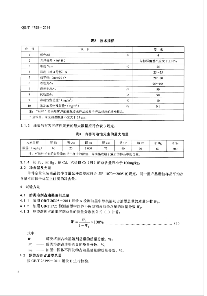
QB/T 4755-2014 醇溶性表印凹版油墨

行业标准 推荐性 现行

标准状态

  1. 发布于:
  2. 实施于:
  3. 废止

标准详情

  • 中国标准分类号:A17
    国际标准分类号:87.080
  • 提出单位:
    主管部门:工业和信息化部

起草单位

广东省珠海市质量计量监督检测所(国家印刷及办公自动化消耗材料质量监督检验中心)、新东方油墨有限公司等

起草人

毕明珠、刘国文 等

标准预览(共 7 页)

* 特别声明:资源收集自网络或用户上传,版权归原作者所有,如侵犯您的权益,请联系我们处理。

  • 标准质量:
  • 文档详情:1.48MB 共 7 页 PDF

标准搜索