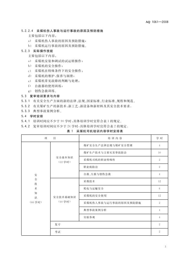
AQ 1061-2008 采煤机司机安全技术培训大纲及考核标准

行业标准 强制性 现行

标准状态

  1. 发布于:
  2. 实施于:
  3. 废止

标准详情

  • 中国标准分类号:D09
    国际标准分类号:13.100
  • 提出单位:
    主管部门:应急管理部

起草单位

中国矿业大学(北京)、山东煤矿安全监察局、河北煤矿安全监察局、河南煤矿安全 监察局、中国煤矿环保安全技术培训中心

起草人

周心权、李谨、张振普、张凤杰、瓮立平、李建民、宁廷全、葛宝臻。

标准预览(共 8 页)

* 特别声明:资源收集自网络或用户上传,版权归原作者所有,如侵犯您的权益,请联系我们处理。

  • 标准质量:
  • 文档详情:1.54MB 共 8 页 PDF

标准搜索