电子标准网
首页
国家标准
行业标准
地方标准
团体标准
设计图集
协会标准
企业标准
国际标准
联盟标准
其他标准
登录 / 注册
昵称:
(ID:)
获得会员特权
我的收藏
我的下载
[ 退出登录 ]
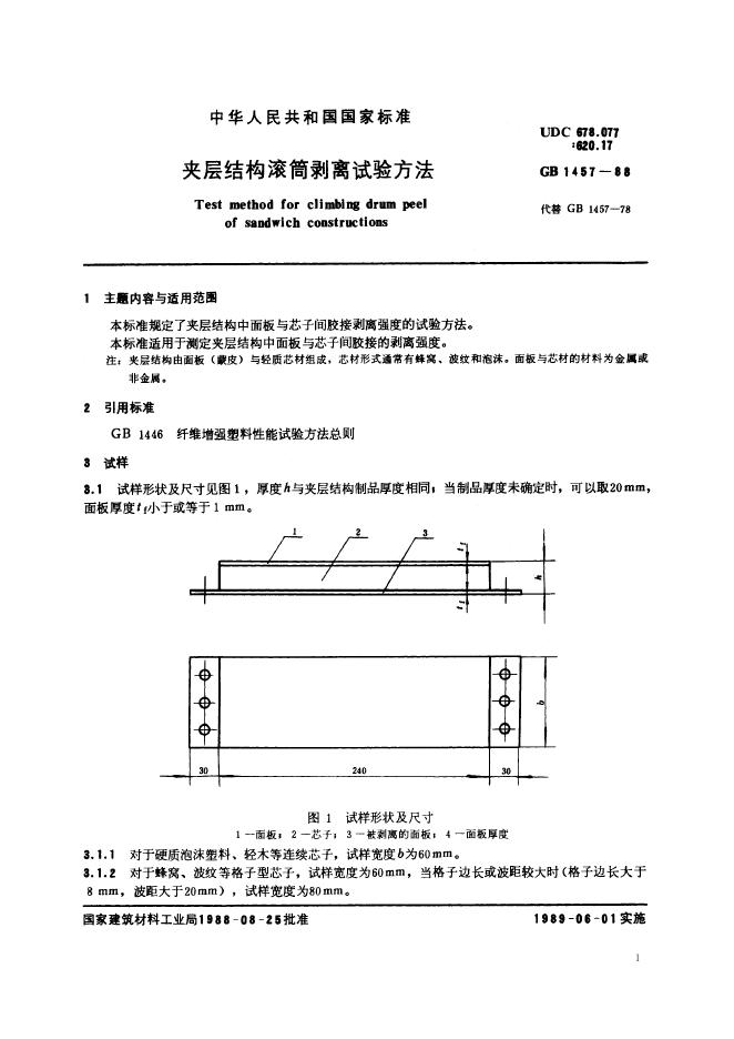
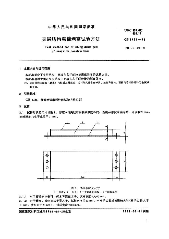
GB/T 1457-1988 夹层结构滚筒剥离试验方法
国家标准
推荐性
现行
收藏
报错
标准状态
发布于:
1978-11-04
实施于:
1989-06-01
废止于:
1970-01-01
标准详情
中国标准分类号:
Q23
国际标准分类号:
83.120
提出单位:
主管部门:
中国建筑材料联合会
起草单位
上海玻璃钢研究所
起草人
标准预览(共 8 页)
5页 预览结束,下载 8页 完整版
* 特别声明:资源收集自网络或用户上传,版权归原作者所有,如侵犯您的权益,请联系我们处理。
标准网本地下载
标准质量:
文档详情:
298.69KB 共 8 页 PDF
分享到
标准搜索
搜索帮助
搜索
相关推荐
1
GB/T 42871-2023 无损检测 声发射检测 混凝土声发射信号的测试方法
2
GB/T 12155-1989 锅炉用水和冷却水分析方法 钠的测定 动态法
3
GB/T 40620-2021 核动力厂火灾危害性分析指南
4
GB/T 30505-2014 船用焚烧炉烟气排放测量方法
5
GB/T 30594-2014 双层玻璃幕墙热性能检测 示踪气体法
6
GB/T 17640-2008 土工合成材料 长丝机织土工布
7
GB/T 26015-2010 覆合用铜带
8
GB/T 15663.1-2008 煤矿科技术语 第1部分:煤炭地质与勘查
9
JJF(赣)040-2024 软化击穿试验仪校准规范
10
GB/T 26185-2010 快热式热水器
11
GB/T 40605-2021 高压直流工程数模混合仿真建模及试验导则
12
GB/T 12343.1-2008 国家基本比例尺地图编绘规范 第1部分: 1:25000 1:50000 1:100000 地形图编绘规范
13
GB/T 22081-2008 信息技术 安全技术 信息安全管理实用规则
14
GB/Z 40986-2021 上肢假肢装配通用技术条件
15
GB/T 19749.3-2022 耦合电容器及电容分压器 第3部分:用于谐波滤波器的交流或直流耦合电容器
电子标准网提示:
你剩余金币:
0
, 下载文档需要支付金币:
0
请通过以下途径获取金币或者充值VIP,完成下载:
更多充值
金币充值下载
VIP免费下载
正在加载二维码...
微信扫码支付
50元, 50金币,
100元,150金币,赠送 50个金币
300元,600金币,赠送300个金币
500元,1200金币,赠送700个金币
800元,2000金币,赠送1200个金币
正在加载二维码...
微信扫码支付
50元,高级月度VIP,免金币下载10篇/天
118元,高级季度VIP,免金币下载10篇/天
168元,高级半年VIP,免金币下载10篇/天
98元,钻石月度VIP,免金币下载30篇/天
238元,钻石季度VIP,免金币下载30篇/天