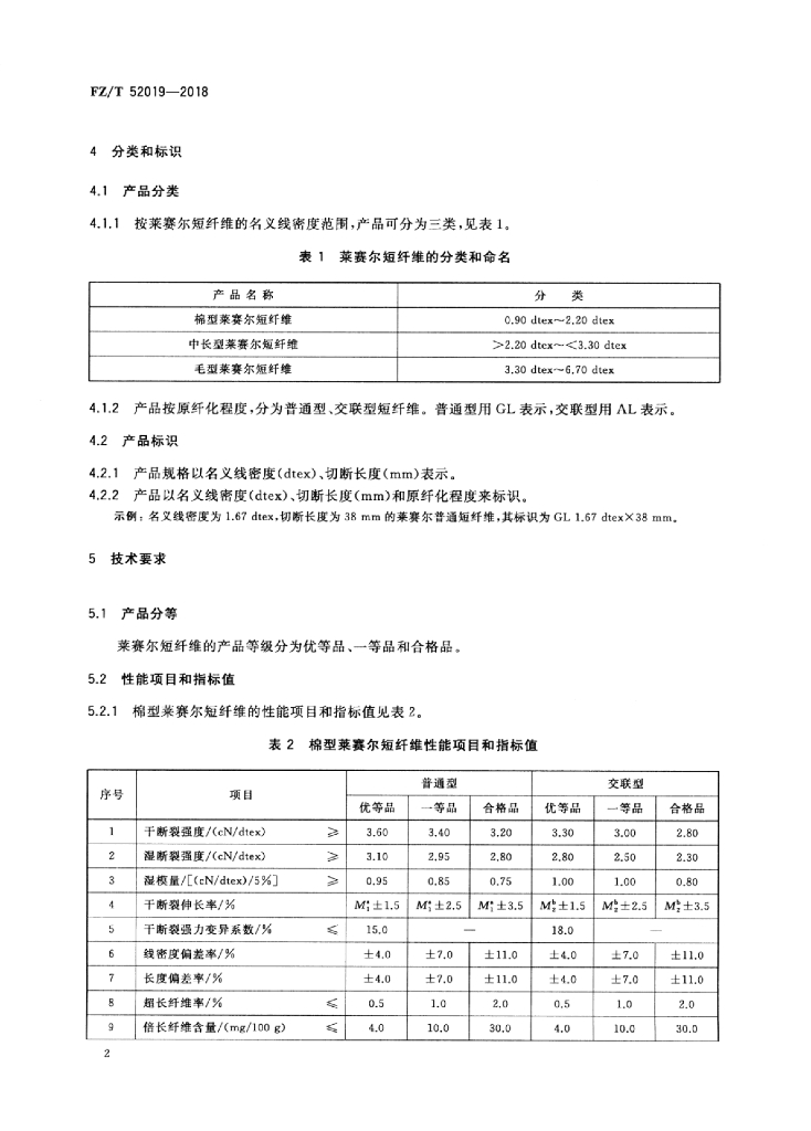
FZ/T 52019-2018 莱赛尔短纤维

行业标准 推荐性 现行

标准状态

  1. 发布于:
  2. 实施于:
  3. 废止

标准详情

  • 中国标准分类号:W52
    国际标准分类号:59.060.20
  • 代替标准:FZ/T 52019-2011
  • 提出单位:
    主管部门:工业和信息化部

起草单位

保定天鹅新型纤维制造有限公司、上海里奥纤维企业发展有限公司、山东英利实业有限公司等

起草人

杜树新、闫丽娜、王新等

标准预览(共 12 页)

* 特别声明:资源收集自网络或用户上传,版权归原作者所有,如侵犯您的权益,请联系我们处理。

  • 标准质量:
  • 文档详情:3.24MB 共 12 页 PDF

标准搜索