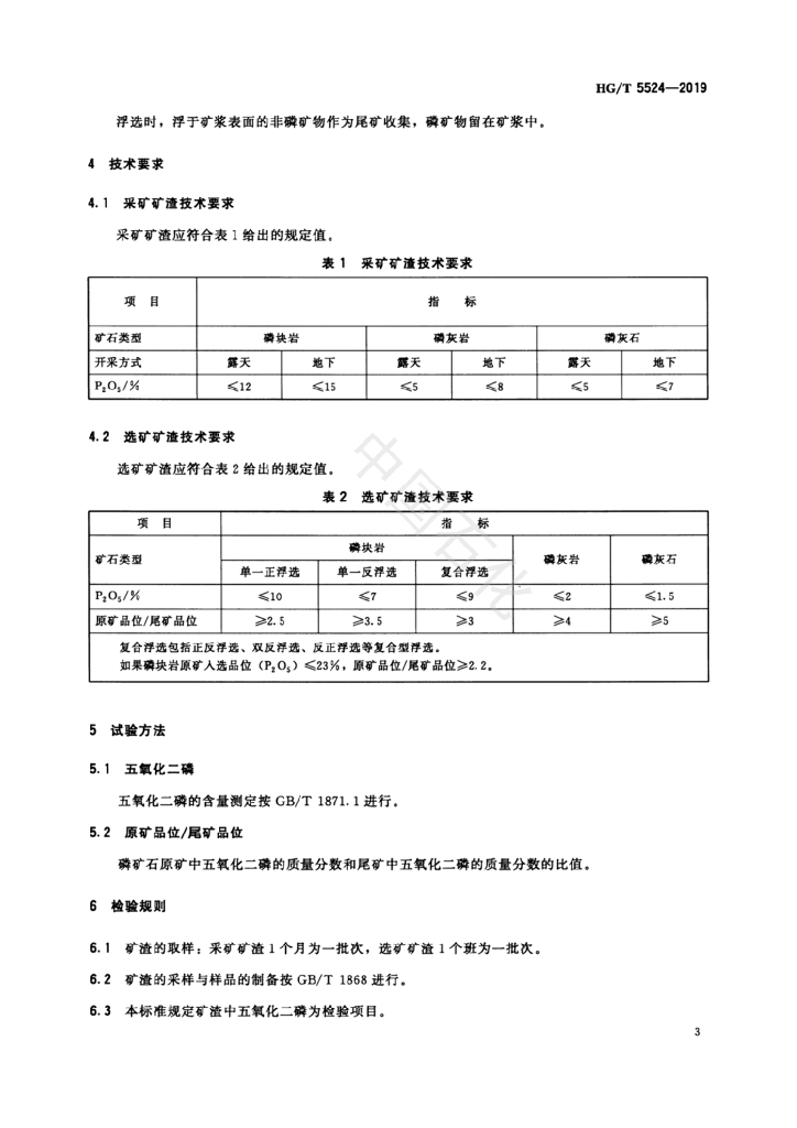
HG/T 5524-2019 磷矿石采矿和选矿矿渣技术规范

行业标准 推荐性 现行

标准状态

  1. 发布于:
  2. 实施于:
  3. 废止

标准详情

  • 中国标准分类号:D51
    国际标准分类号:73.080
  • 提出单位:
    主管部门:工业和信息化部

起草单位

瓮福(集团)有限责任公司、云磷集团有限公司、中蓝连海设计研究院有限公司等

起草人

张仁忠、王孟来、张晓梅 等

标准预览(共 6 页)

* 特别声明:资源收集自网络或用户上传,版权归原作者所有,如侵犯您的权益,请联系我们处理。

  • 标准质量:
  • 文档详情:707.77KB 共 6 页 PDF

标准搜索