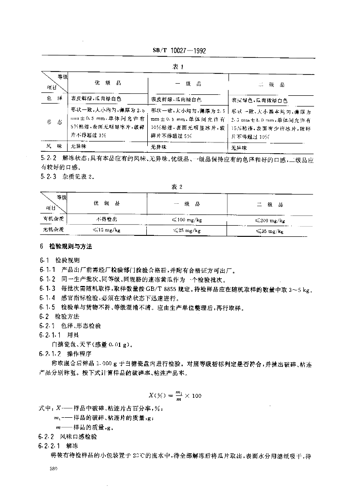
GH/T 1140-2017 速冻黄瓜

行业标准 推荐性 已废止

标准状态

  1. 发布于:
  2. 实施于:
  3. 已废止

标准详情

  • 中国标准分类号:B93
    国际标准分类号:65.060.99
  • 提出单位:
    主管部门:中华全国供销合作总社

起草单位

浙江青风环境股份有限公司、中国食用菌协会

起草人

樊小轻、陈光金、周德强、温素珍、王守君、唐婷

标准预览(共 3 页)

* 特别声明:资源收集自网络或用户上传,版权归原作者所有,如侵犯您的权益,请联系我们处理。

  • 标准质量:
  • 文档详情:83.18KB 共 3 页 PDF

标准搜索