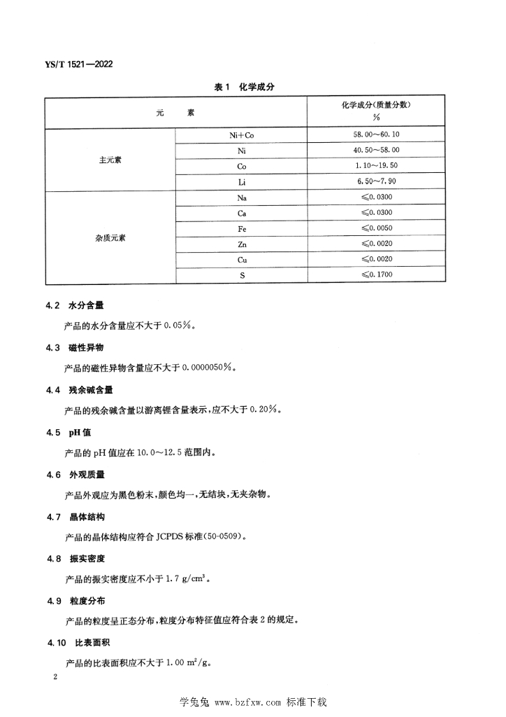
YS/T 1521-2022 镍钴酸锂

行业标准 推荐性 现行

标准状态

  1. 发布于:
  2. 实施于:
  3. 废止

标准详情

  • 中国标准分类号:H71
    国际标准分类号:77.16
  • 提出单位:全国有色金属标准化技术委员会
    主管部门:工业和信息化部

起草单位

广东邦普循环科技有限公司、格林美股份有限公司、北京当升材料科技股份有限公司、湖南长远锂科股份有限公司、湖南杉杉能源科技有限公司、天津国安盟固利新材料科技股份有限公司、清远佳致新材料研究院有限公司、广东佳纳能源科技有限公司、深圳清华大学研究院、江西理工大学、江西省锂电产品质量监督检验中心、浙江华友钴业股份有限公司、蜂巢能源科技有限公司、湖南邦普循环科技有限公司、金驰能源材料有限公司、赣州源滙通锂业股份有限公司

起草人

李长东、张学梅、谢英豪、许开华、陈彦彬、周春仙、李旭、朱卫泉、付海阔、陈珍华、田勇、钟盛文、邓蓓、雷延桂、杨红新、刘述敏、刘玮、范丹、王茜茜、张坤、张学全、公伟伟、凌仕刚、冯焕村、张放南

标准预览(共 9 页)

* 特别声明:资源收集自网络或用户上传,版权归原作者所有,如侵犯您的权益,请联系我们处理。

  • 标准质量:
  • 文档详情:1.34MB 共 9 页 PDF

标准搜索