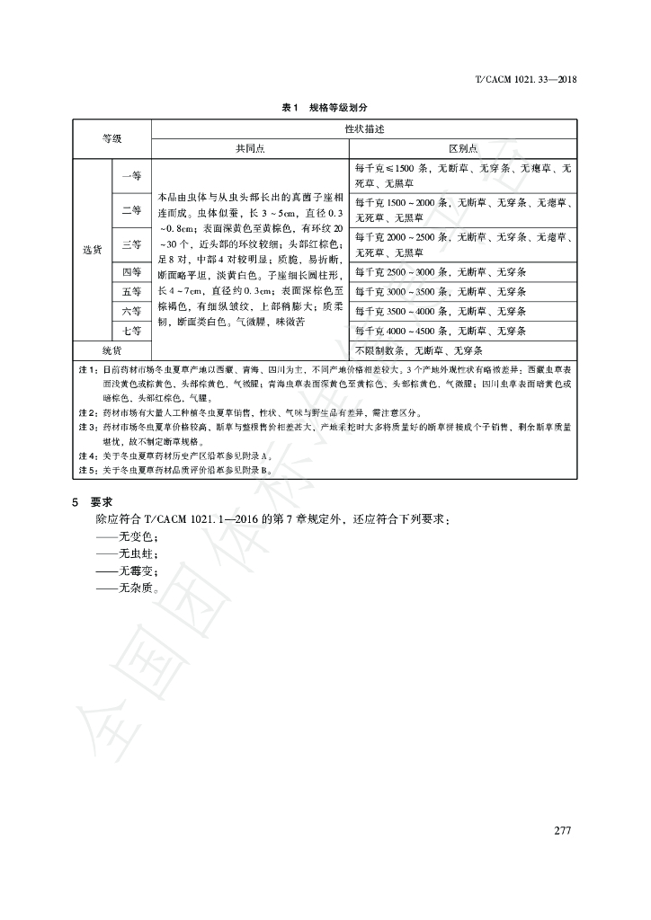
T/CACM 1021.33-2018 中药材商品规格等级 冬虫夏草

团体标准 强制性 现行

标准状态

  1. 发布于:
  2. 实施于:
  3. 废止

标准详情

  • 中国标准分类号:
    国际标准分类号:11.120.10
  • 团体名称:中华中医药学会

起草单位

康美药业股份有限公司、青海大学、康美(北京)药物研究院有限公司、广东康 美药物研究院有限公司、康美(亳州)华佗国际中药城商业有限公司、中国中医科学院中药资源中心、 中药材商品规格等级标准研究技术中心、北京中研百草检测认证有限公司

起草人

许冬瑾、乐智勇、张得钧、黄璐琦、郭兰萍、刘洋清、詹志来、姜涛、黄龙涛、 白宗利、金艳、杨光、何雅莉

标准预览(共 8 页)

* 特别声明:资源收集自网络或用户上传,版权归原作者所有,如侵犯您的权益,请联系我们处理。

  • 标准质量:
  • 文档详情:339.16KB 共 8 页 PDF

标准搜索