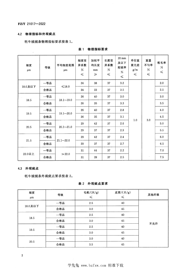
FZ/T 21017-2022 牦牛绒绒条

行业标准 推荐性 现行

标准状态

  1. 发布于:
  2. 实施于:
  3. 废止

标准详情

  • 中国标准分类号:W 21
    国际标准分类号:59.060.10
  • 提出单位:中国纺织工业联合会
    主管部门:工业和信息化部

起草单位

浙江沃榆特实业集团有限公司、山东恒泰纺织有限公司、浙江工业职业技术学院、上海纺织集团检测标准有限公司、河北嘉星绒业有限公司、雅莹集团股份有限公司、阿坝州雅珂牦牛绒科技有限公司、浙江羊绒世家服饰股份有限公司、浙江沃榆特毛绒制品有限公司

起草人

章惠新、孙健翔、项伟、陈思唯、孙连山、曹宪华、吴砚文、倪美华、李慧、蒋庆云

标准预览(共 7 页)

* 特别声明:资源收集自网络或用户上传,版权归原作者所有,如侵犯您的权益,请联系我们处理。

  • 标准质量:
  • 文档详情:1.52MB 共 7 页 PDF

标准搜索