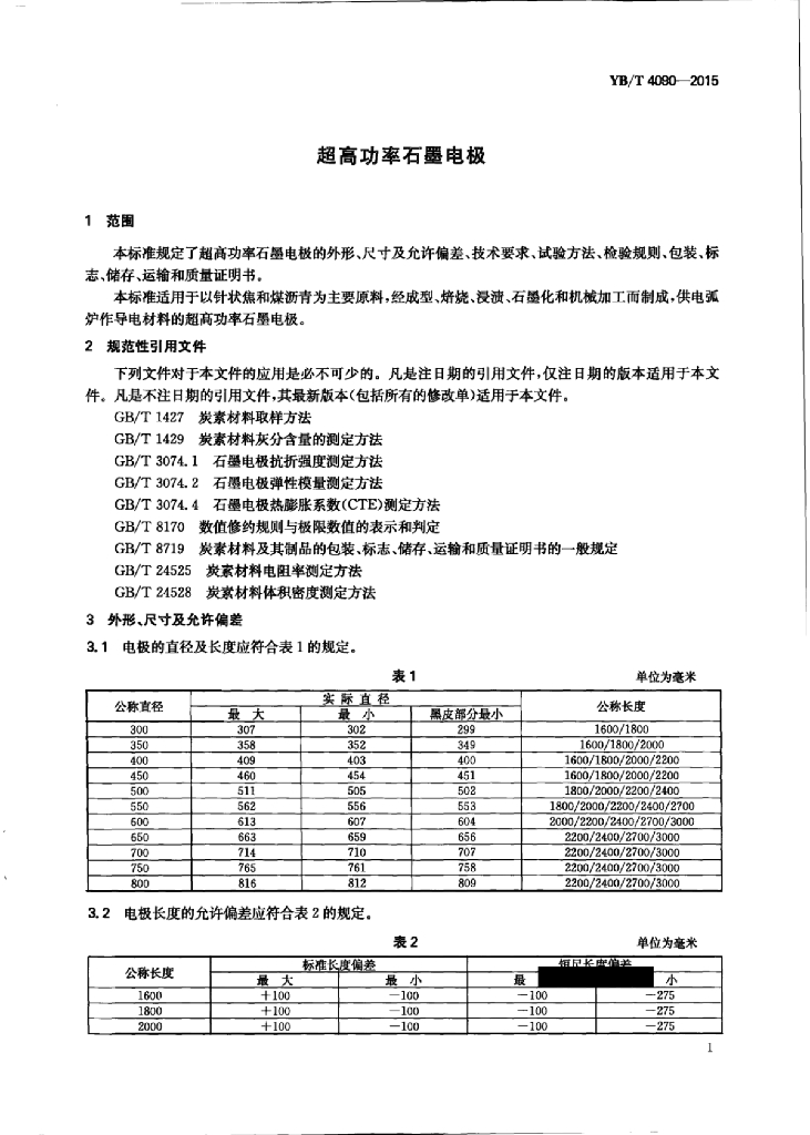
YB/T 4090-2015 超高功率石墨电极

行业标准 推荐性 现行

标准状态

  1. 发布于:
  2. 实施于:
  3. 废止

标准详情

  • 中国标准分类号:Q51
    国际标准分类号:29.050
  • 代替标准:YB/T 4090-2000
  • 提出单位:
    主管部门:全国钢标准化技术委员会

起草单位

吉林炭素有限公司、中国平煤神马集团开封炭素有限公司、河南科峰炭材料有限公司、冶金工业信息标准研究院。

起草人

朱海哲、贾文涛、姚禄广、郑建华、冯建国、郑景须、张进莺、孙伟。

标准预览(共 8 页)

* 特别声明:资源收集自网络或用户上传,版权归原作者所有,如侵犯您的权益,请联系我们处理。

  • 标准质量:
  • 文档详情:2.11MB 共 8 页 PDF

标准搜索